Manuel du conducteur
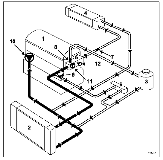
Moteurs K4M-F4P
Boite de vitesses manuelle

3 mm
8,5 mmLa valeur de tarage de la soupape du vase d'expansion est de 1,2 bar (couleur marron).
Boite de vitesses automatique

Moteur
Radiateur
Bocal "chaud" avec dégazage après thermostat
Aérotherme
Support thermostat
Echangeur de température d'huile T.A.
Ajutage
3 mm
Ajutage
8,5 mm
Ajutage
10 mm
Pompe à eau
Thermostat
Purgeur
La valeur de tarage de la soupape du vase d'expansion est de 1,2 bar (couleur marron).
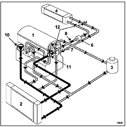
Moteur F9Q

3 mm
8,5 mmLa valeur de tarage de la soupape du vase d'expansion est de 1,2 bar (couleur marron).
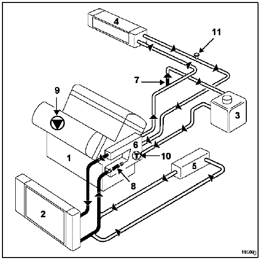
Moteur L7X

3 mm
16 mmLa valeur de tarage de la soupape du vase d'expansion est de 1,2 bar (couleur marron).
Contrôle
ThermostatDispositifs de retenue comple'mentaires
Tous les avertissements qui suivent sont destinés à ne pas gêner le
déploiement
de l'airbag et à éviter des blessures graves directes par projection lors
de son ouverture.
L'airbag est conçu pour compléter l'action de la ceinture
d ...
Interprétation des défauts
CALCULATEUR
CONSIGNES
Rien à signaler.
Vérifier le branchement et l'état des connecteurs du tableau de commande de
climatisation.
Remettre en état si nécessaire.
Brancher le bornier à la place du calculateur et vérifier l'isolement, la
con ...
Bougies
MOTEURS TOUS TYPE
Pour déposer les bougies, il est nécessaire de déposer les bobines
d'allumage (voir chapitre 17 Allumage "Allumage statique").
Pour déposer les bougies, utiliser le coffret à bougies Elé. 1382.
...