Manuel du conducteur
REMPLACEMENT
Cette opération s'effectue après avoir désaccouplé la boîte de vitesses du moteur et déposé l'embrayage et le volant moteur.

DEPOSE
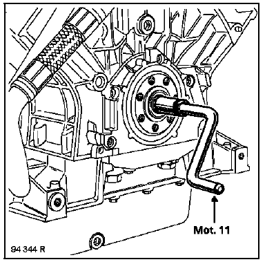
Extraire le roulement à l'aide de l'outil Mot. 11.

REPOSE
Monter le roulement neuf. Celui-ci étant livré graissé,
ne nettoyer que le
extérieur.
Enduire le
extérieur du roulement de
loctite
FRENBLOC.
Monter le roulement avec un tube en prenant appui sur la cage extérieure.
Volant
Boite de vitesses mecaniqueTableau de bord
REMPLACEMENT
L'espacement de l'autonomie de vidange peut être
modifié par les outils de diagnostic dans le calculateur
d'injection.
DEPOSE
Entrer en dialogue à l'aide de l'outil de diagnostic afin
de verrouiller le calculateur d'airbag.
NOTA : le verrouillage du boît ...
Electrovannes
DP0
La dépose des électrovannes s'effectue après la
dépose du distributeur hydraulique (voir chapitre
concerné).
EVM Electrovanne de modulation
EVLU Electrovanne de LOCK UP (pontage
convertisseur)
EVS4 Electrovanne de séquence
EVS3 Electro ...
Accessibilité pour les véhicules équipés d'un hautparleur dans le coffre
côté gauche
Depuis le coffre, dégagez la moquette
latérale.
Desserrez les trois vis 15, 16 et 17
puis, dégagez le haut-parleur.
Nota : pour les versions 5 portes, saisissez
le caisson à deux mains, ramenez
la partie haute du caisson vers
vous tout en maintenant la fixati ...