Manuel du conducteur
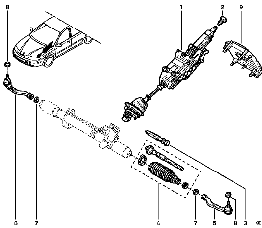
Le remplacement de la rotule axiale s'effectue boîtier de direction en place sur le véhicule. En effet, l'outil permet le desserrage des rotules axiales à travers le passage de roue.



Mettre le véhicule sur un pont à deux colonnes.
DEPOSE
Débrancher la rotule de direction à l'aide de l'outil T.Av. 476.
Desserrer la vis du manchon de réglage parallélisme et dévisser la rotule de direction en maintenant la rotule axiale avec une clé plate.
Faire un repère ou compter le nombre de tours de filets en prise afin de prérégler le parallélisme lors de la repose.
Retirer les colliers métalliques de maintien de soufflet et déposer celui-ci.
Braquer les roues de façon à dégager la denture du barreau côté valve.
Mettre en place l'outil Dir. 1306-02.
Dans cette position, débloquer la rotule axiale à l'aide de l'outil Dir. 1305-01.

REPOSE
NOTA : Avant le remontage des nouvelles biellettes, passer un taraud de 12 x 100 dans les filetages en bout de crémaillère afin d'enlever toute trace de LOCTITE du montage d'origine et éviter ainsi un grippage des parties filetées au remontage.
Remplacer systématiquement l'ensemble (2). Si le crantage de la rotule (1) n'est pas détérioré, elle peut être réutilisée.

Remonter sur la crémaillère (4) :

Avant le serrage définitif de la rotule axiale à l'aide de l'outil Dir. 1305, vérifier que les languettes de la rondelle arrêtoir (2) coïncident bien avec les méplats (B) de la crémaillère.
Remonter le soufflet avec des colliers neufs.
Revisser le boîtier-rotule au nombre de tours repéré au démontage.
Rebrancher la rotule.
Vérifier et régler le parallélisme, puis serrer la vis du manchon de réglage au couple.
Boîtier de directionAccessibilité pour les véhicules équipés d'un hautparleur dans le coffre
côté gauche
Depuis le coffre, dégagez la moquette
latérale.
Desserrez les trois vis 15, 16 et 17
puis, dégagez le haut-parleur.
Nota : pour les versions 5 portes, saisissez
le caisson à deux mains, ramenez
la partie haute du caisson vers
vous tout en maintenant la fixati ...
Essuie-vitres (remplacement des balais)
Remplacement des balais d'essuie-vitre avant 1
Contact mis, moteur à l'arrêt, abaissez
complètement la manette d'essuievitre
: ils s'arrêtent dans une position
dégagée du capot.
Soulevez le bras d'essuie-vitre 3, tirez
la languette 2 (mouvement A) ...
Moteurs K4M et F4P
DEPOSE
Débrancher la batterie.
Déposer le collecteur d'admission (voir chapitre 12
Mélange carburé " boîtier papillon motorisé ").
ATTENTION : lors de la dépose de la canalisation
de la rampe, prendre garde à la quantit&eacu ...