Manuel du conducteur
Moteur F9Q
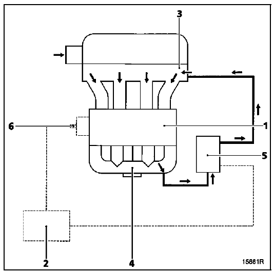
PRESENTATION DU CIRCUIT

DEPOSE DE LA VANNE
La vanne EGR est emmanchée en force dans le collecteur d'admission.
Pour faciliter son remplacement, il est préférable de déposer les collecteurs.
BUT DU SYSTEME EGR
La recirculation des gaz d'échappement est employée afin de réduire la teneur en oxyde d'azote (NOx) contenu dans les gaz d'échappement.
Le calculateur d'injection autorise le passage des gaz grâce au pilotage d'une vanne électrique.
PRINCIPE DE FONCTIONNEMENT
La vanne est commandée par un signal RCO (Rapport Cyclique d'Ouverture) émis par le calculateur d'injection. Le signal RCO permet de moduler l'ouverture de la vanne, et par conséquent, la quantité de gaz d'échappement détournée vers le collecteur d'admission.
Le calculateur effectue en permanence un test permettant de connaître la position du volet de la vanne EGR.
CONDITIONS DE FONCTIONNEMENT
Les paramètres qui déterminent l'activation de l'électrovanne EGR sont les suivants :
L'EGR est coupée si :
La vanne EGR n'est pas alimentée après le démarrage selon une cartographie de température d'eau.
X - Temps
Y - Température d'eau (˚C)

la vanne éléctrique d'EGR n'est plus alimentée.
Réaspiration des vapeurs d'essence
Demarrage chargeContacteurs de lunette arrière et pare-brise dégivrant
CONTACTEURS DE LUNETTE ARRIERE
DEGIVRANTE ET PARE-BRISE DEGIVRANT
ELECTRIQUE
Les contacteurs de lunette arrière dégivrante et de
pare-brise électrique sont intégrés au tableau de
commande de climatisation.
Leur remplacement nécessite le remplacement ...
Câbles de commande
DEPOSE
Débrancher la batterie.
Déposer :
le boîtier du lecteur de carte Renault en tirant vers soi
(A),
le cache du tableau de commande (B),
les deux vis du bas du tableau de commande,
le tableau de commande en suivant les indications
du schéma ci ...
Feux de brouillard avant, additionnels
Feux de brouillard avant 1
Feux de brouillard avant 1
Du fait de la nécessité de démonter le
bouclier avant, nous vous conseillons
de faire remplacer vos lampes par
un Représentant de la marque.
Les lampes sont sous pression et peuvent éclater lo ...