Manuel du conducteur
MOTEURS TOUS TYPES ESSENCE
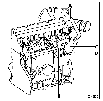
Schema fonctionnel du circuit
Schema fonctionnel du circuit
M Mise à l'air libre.
ATTENTION : en fonctionnement normal, la mise à l'air libre ne doit pas être bouchée.
PRINCIPE DE FONCTIONNEMENT
La mise à l'air libre du réservoir se fait par l'absorbeur des vapeurs d'essence (canister).
Les vapeurs d'essence sont retenues au passage par le charbon actif contenu dans l'absorbeur (canister).
Les vapeurs d'essence contenues dans le Canister sont éliminées et brûlées par le moteur.
Pour ce faire, on met en relation, par l'intermédiaire d'une canalisation et d'une électrovanne, le Canister et le collecteur d'admission. Cette électrovanne est située sur la chapelle d'amortisseur avant droit pour les moteurs F4P, K4M, F5R et à côté du réservoir de direction assistée pour le moteur L7X.
Le principe de l'électrovanne est d'offrir une section de passage variable (fonction du signal RCO Rapport Cyclique d'Ouverture émis par le calculateur d'injection).
La variation de la section de passage des vapeurs d'essence dans l'électrovanne résulte de l'équilibre entre le champ magnétique créé par l'alimentation du bobinage et l'effort du ressort de rappel assurant la fermeture de l'électrovanne.
Controle du fonctionnement de la purge canister
Un dysfonctionnement du système peut créer un ralenti instable ou un calage du moteur.
Vérifier la conformité du circuit (voir schémas fonctionnels).
Contrôler l'état des canalisations jusqu'au réservoir.

M Mise à l'air libre.
Condition de purge du canister
L'électrovanne de la purge du canister est commandée par la voie C-E1 en K4M et F4P et par la voie C-F4 en L7X du calculateur lorsque :
Moteurs F4P et K4M :
Moteur L7X :
Lors d'un diagnostic EOBD (On Board Diagnostic), la purge du canister n'est pas autorisée.
Il est possible de visualiser le rapport cyclique d'ouverture de l'électrovanne de purge de canister avec les outils de diagnostic en consultant le paramètre "RCO électrovanne purge canister".
L'électrovanne est fermée pour une valeur inférieure à 1,5%.
DEPOSE DE L'ABSORBEUR
L'absorbeur (1) est situé sur le réservoir en partie gauche.
Débrancher :
Déposer :

REPOSE
Reposer en sens inverse la dépose.
Vérifier :
qu'il n'y ait pas de dépression (de la même façon, la valeur de commande lue par l'outil de diagnostic en paramètre : "RCO électrovanne purge canister" reste minimale X≤1,5%).
Y a t'il une dépression ?
OUI :contact coupé, appliquer à l'aide d'une pompe à vide une dépression de 500 mbars sur l'électrovanne en sortie de celle-ci. La dépression ne doit pas varier de plus de 10 mbars en 30 secondes.
La pression varie-t'elle ?
OUI : L'électrovanne est défectueuse, changer l'électrovanne.
NON : Vous êtes en présence d'un problème électrique, vérifier le circuit.
NON : En conditions de purge (voir conditions de purge), on doit constater une augmentation de la dépression (en même temps, on constate une augmentation de la valeur du paramètre sur l'outil de diagnostic).
CONTROLE DE LA LIAISON RESERVOIR CANISTER
On pourra contrôler cette liaison en branchant une pompe à vide sur le tuyau allant au canister.
PRESENTATION DES ELEMENTS
Orifice d'aspiration des vapeurs d'huile

Orifice de sortie des vapeurs d'huile

Plaque de récupération des vapeurs d'huile placée sur le couvre-culasse.

Pour le démontage, se reporter au chapitre 11 "Haut et avant moteur".
Moteur L7X
PRESENTATION DU CIRCUIT

Ce circuit est utilisé pour les moyennes et fortes charges. Les vapeurs sont réaspirées par la dépression régnant dans la canalisation d'air (7).
Ce circuit est utilisé pour les faibles charges. Les vapeurs sont réaspirées par la dépression régnant entre le papillon et le moteur.
Moteur F9Q
PRESENTATION DU CIRCUIT

CONTROLE
Pour garantir un bon fonctionnement du système antipollution, le circuit de réaspiration des vapeurs d'huile doit être maintenu propre et en bon état.

Antipollution
Recirculation des gaz d'échappement
E.G.R.Renfort de pied avant
Le remplacement de cette pièce est une opération
complémentaire au remplacement du pied avant pour
une collision latérale avant.
Dans la méthode décrite ci-après vous ne trouverez
que les descriptions et liaisons spécifiques à la p ...
Module de puissance
MODULE DE PUISSANCE / BOITIER RELAIS
Le module de puissance pilote la vitesse du
motoventilateur selon les besoins déterminés par la
régulation.
Son accès est possible par le dessous de la planche
de bord.
DEPOSE
Déposer :
le cache de protection so ...
Crevaison. Roue de secours
En cas de crevaison, vous
disposez, suivant véhicule :
D'une roue de secours ou d'un kit de
gonflage des pneumatiques (reportezvous
aux pages suivantes).
Roue de secours
Elle est placée dans le coffre. Pour y
accéder :
ouvrez la porte de coffre ;
soulevez les ta ...