Manuel du conducteur

DEPOSE
La dépose du carter inférieur ne présente pas de difficultés particulières.
REPOSE
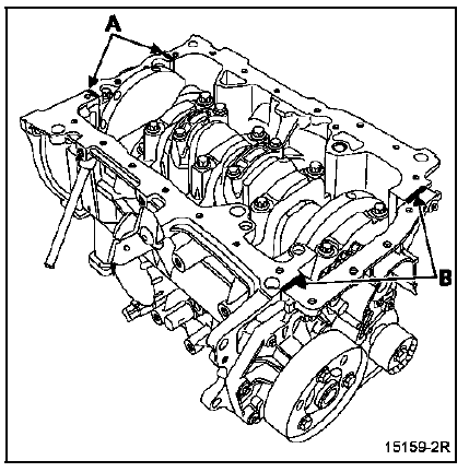
Mettre un point de RHODORSEAL 5661 en (A) (de chaque côté du palier N'1) et en (B) (à l'intersection de la plaque de fermeture du vilebrequin et du carter cylindre).

Reposer le carter inférieur avec un joint neuf en le presserrant au couple 0,8 daN.m, puis effectuer un serrage final de 1,4 daN.m dans l'ordre préconisé cidessous.

Moteur K4M
Moteur L7XReferences de positionnement des pieces remplacees
F. FIXATION SUPERIEURE D'AMORTISSEUR
AVANT
Le calibre est en appui sous la coupelle d'amortisseur
et se centre dans les trous de fixation de l'amortisseur.
Il est à utiliser lors du remplacement :
du passage de roue,
d'un demi-bloc avant,
Il est également utilis&eacu ...
Gestion Centralisée de la Température
d'Eau
Sonde de température d'eau (injection et
indication de température d'eau au tableau de
bord).
Sonde 3 voies, 2 pour l'information
température d'eau et 1 pour l'indication au
tableau de bord.
Ce système permet au pilotage du motoventilateur de
refroidissement ...
Connecteur modulaire
DP0
Connecteur VERT (Contacteur multifonction)
Connecteur JAUNE (interface Electronique
Hydraulique)
Connecteur VERT (pression ligne)
Connecteur JAUNE (vitesse turbine)
Connecteur BLEU (électrovanne de pilotage du
débit d'échangeur).
NUMEROTATION DES VOIES ...