Manuel du conducteur

Il existe deux procédures bien distinctes pour le calage de la distribution.
1ère PROCEDURE
La première procédure s'applique pour les remplacements de tous les éléments qui nécessitent le desserrage de la poulie d'arbre à cames d'échappement et du déphaseur d'arbres à cames d'admission.
Lors de cette opération, il faut impérativement remplacer :
Méthode de desserrage de la poulie d'arbre à cames d'échappement et du déphaseur d'arbre à cames d'admission.
L'opération se fait à l'aide des Mot. 1509 et Mot. 1509-01.


Retirer le pignon denté supérieur du support.

Mettre en place :




Serrer l'écrou épaulé (6) et la vis (7), puis amener en contact les pignons du Mot. 1509 avec les poulies d'arbres à cames tout en serrant les écrous (8) au couple de 8 daN.m.
Déposer :


Remplacement du joint d'étanchéité du déphaseur d'arbre à cames d'admission.
Mise en place du joint d'étanchéité du déphaseur d'arbre à cames d'admission à l'aide du Mot. 1517 en utilisant l'ancienne vis (2).

NOTA : pour utiliser l'outil Mot. 1517, il est nécessaire de modifier le trou à un diamètre de 13 mm.
Calage de distribution
| ATTENTION : il est impératif de dégraisser l'extrémité du vilebrequin (côté distribution), l'alésage et les faces d'appui du pignon de distribution, les faces d'appui de la poulie accessoires ainsi que les extrémités des arbres à cames d'échappement et du déphaseur d'arbre à cames d'admission; ceci afin d'éviter un glissement entre la distribution, le vilebrequin, les poulies des arbres à cames d'échappement et le déphaseur d'admission, risquant d'entraîner la destruction du moteur. | 
NOTA : pour faciliter le positionnement des rainures à l'horizontal, mettre la poulie et le déphaseur en place, puis visser l'ancien écrou de la poulie et l'ancien vis du déphaseur en les serrant à 1,5 daN.m. MAXIMUM. Vérifier que les pistons soient positionnés à mi-course (ceci afin d'éviter tout contact entre les soupapes et les pistons).
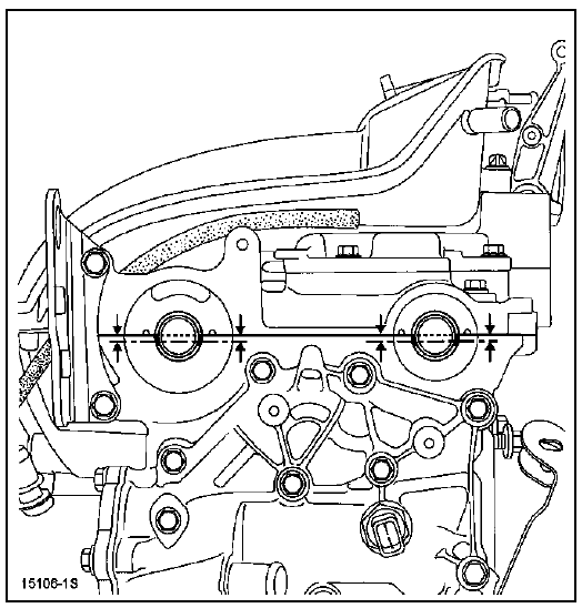
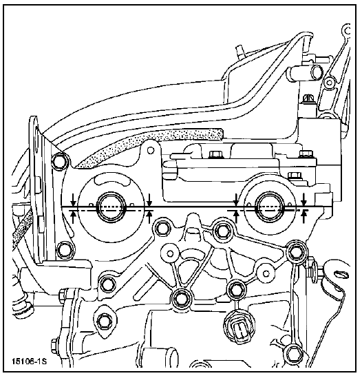
Positionner les rainures des arbres à cames horizontalement comme indiqué sur le dessin ci-dessous (en tournant les arbres à cames du Mot. 799-01 si nécessaire).

Vérifier que la couronne du déphaseur d'arbre à cames d'admission soit bien verrouillée ( pas de rotation vers la gauche ou la droite de la couronne).

Placer le Mot. 1496, aux extrémités des arbres à cames.

Retirer l'ancien écrou de la poulie, l'ancienne vis du déphaseur et les remplacer par écrou et une vis neufs (laisser un jeu de 0,5 à 1 mm entre l'écrou ou la vis et les poulies d'arbres à cames).
Vérifier que le vilebrequin soit bien pigé au Point Mort Haut et non dans le trou d'équilibrage (la rainure (5) du vilebrequin vers le haut).

Mauvaise position
 
Mauvaise position
Vilebrequin pigé
 
Vilebrequin pigé
Lors d'un remplacement de courroie de distribution, il est impératif de changer les galets tendeur et enrouleur.
Veiller à ce que l'ergot (1) du galet tendeur soit correctement positionné dans la rainure (2).

Reposer :

NOTA :
Tension de la courroie
Vérifier qu'il y ait toujours un jeu de 0,5 à 1 mm entre l'écrou, la vis et les poulies des arbres à cames.
NOTA : ne pas tourner le galet tendeur dans le sens inverse des aiguilles d'une montre.
Aligner les repères (6) et (7) du galet tendeur à l'aide d'une clé de six pans de 6 mm en (B).

Pré-serrer l'écrou du galet tendeur au couple de 0,7 daN.m.
Effectuer une rotation de six tours de la distribution dans le sens horaire (côté de la distribution) par la poulie d'échappement à l'aide du Mot. 799-01.
NOTA : Vérifier bien que l'écrou et la vis des poulies des arbres à cames ne viennent pas en contact avec leurs poulies respectives. Pour cela, plaquer de temps en temps les poulies des arbres à cames contre les arbres à cames.
Aligner les repères (6) et (7) si nécessaire, en desserrant d'un tour maximum l'écrou du galet tendeur tout en le maintenant à l'aide d'une de six pans de 6 mm. Puis serre définitivement l'écrou au couple de 2,8 daN.m.
Serrer la vis de la poulie de vilebrequin accessoires au couple de 2 da.N.m (pige de Point Mort Haut toujours en place dans le vilebrequin).
Effectuer un repérage (C) à l'aide d'un crayon entre les poulies des arbres à cames et le carter chapeau de paliers d'arbres à cames.

RETIRER LA TIGE DU POINT MORT HAUT.
Bloquer le volant moteur à l'aide d'un gros tournevis, puis effectuer un angle de 115 '15'de la vis de la poulie vilebrequin accessoires.

Piger le vilebrequin en se servant des repères effectués précédemment entre les poulies des arbres à cames et le carter chapeau de paliers d'arbres à cames. Ces repères doivent être alignés, cela permet d'être sûr que la pige soit bien dans le trou de la pige et non dans un trou d'équilibrage vilebrequin.
 
Bonne position
 
Mauvaise position
Mettre en place l'outil de blocage des poulies des arbres à cames Mot. 1509 équipé du complément du Mot. 1509-01.

 Suivre la même procédure que lors de la dépose.
Serrer la vis neuve du déphaseur d'arbre à cames d'admission au couple de 10 daN.m.
Serrer l'écrou de la poulie d'arbre à cames d'échappement au couple de 3 daN.m. puis effectuer un angle de 86'16' Déposer le Mot. 1496 de calage des arbres à cames, le Mot. 1509 de blocage des poulies des arbres à cames, et le Mot. 1054 pige de Point Mort Haut.
Contrôle du calage et de la tension
Contrôle de la tension :
Effectuer deux tours de vilebrequin dans le sens horaire (côté distribution), et avant la fin des deux tours (c'est-à-dire une demi-dent avant l'alignement des repères effectués précédemment par l'opérateur), insérer la pige de Point Mort Haut vilebrequin (ceci afin de se trouver entre le trou d'équilibrage et le trou de pigeage) puis amener la distribution à son point de calage.
 
Avant pigeage
 
Vilebrequin pigé
Retirer la pige de Point Mort Haut.
Vérifier que les repères du galet tendeur soient correctement alignés sinon refaire la tension.
Desserrer d'un tour maximum l'écrou du galet tendeur tout en le maintenant à l'aide d'une clé six pans de 6 mm.
Aligner les repères du galet tendeur, et serrer définitivement l'écrou au couple de 2,8 daN.m.
Contrôle du calage
S'assurer de la bonne position des repères du galet tendeur avant d'effectuer le contrôle du calage de la distribution.
Mettre en place la pige de Point Mort Haut (vérifier que les repères effectués précédemment sur les poulies des arbres à cames soient alignés).
Mettre en place (sans forcer) le Mot. 1496 de calage des arbres à cames (les rainures des arbres à cames doivent être horizontales et désaxées vers le bas). Si l'outil ne s'engage pas, il faut reprendre la procédure de calage de distribution et de tension.


Reposer l'obturateur (1) (équipé de son joint neuf) du déphaseur en le serrant au couple de 2,5 daN.m.

2ème PROCEDURE
La deuxième procédure s'applique pour les remplacements de tout élément se trouvant dans la façade de distribution et qui ne nécessite pas le desserrage de la poulie d' arbre à cames d'échappement et du déphaseur d'arbre à cames d'admission.
Calage de distribution
| ATTENTION : il est impératif de dégraisser l'extrémité du vilebrequin, l'alésage du pignon de vilebrequin et les faces d'appui de la poulie de vilebrequin afin d'éviter un glissement entre la distribution et le vilebrequin risquant d'entraîner la destruction du moteur. | 
Positionner les rainures des arbres à cames à l'aide du Mot. 799-01 comme indiqué sur le dessin cicontre.

Placer le Mot. 1496 se fixant aux extrémités des arbres à cames.

Vérifier que le vilebrequin soit bien pigé au Point Mort Haut et non dans le trou d'équilibrage (la rainure (5) du vilebrequin vers le haut).

 
Vilebrequin pigé
 
Mauvaise position
Vérifier que la couronne du déphaseur d'arbres à cames d'admission soit bien verrouillée (pas de rotation vers la gauche ou la droite de la couronne).

Lors d'un remplacement de la courroie de distribution, il est impératif de changer les galets tendeur et enrouleur de distribution.
Veiller à ce que l'ergot (1) du galet tendeur soit correctement positionné dans la rainure (2).

Reposer :

NOTA :
NOTA : ne pas tourner le galet tendeur dans le sens inverse des aiguilles d'une montre.
Aligner les repères (6) et (7) du galet tendeur à l'aide d'une clé de six pans de 6 mm en (B).

Pré-serrer l'écrou du galet tendeur au couple de 0,7 daN.m.
Serrer la vis de la poulie de vilebrequin accessoires au couple de 2 daN.m (pige de Point Mort Haut Mot. 1054 toujours en place dans le vilebrequin).
Effectuer un repérage (C) sur la couronne du déphaseur d'arbre à cames d'admission et la poulie d'échappement par rapport au carter chapeau de paliers d'arbres à cames.

Déposer le Mot. 1496 de calage des arbres à cames ainsi que la pige de Point Mort Haut Mot. 1054.
Procéder au serrage angulaire de 115' 15de la vis de poulie de vilebrequin, en immobilisant le volant moteur à l'aide d'un gros tournevis.

Contrôle du calage et de la tension
Contrôle de la tension :
Effectuer deux tours de vilebrequin dans le sens horaire (côté distribution). Avant la fin des deux tours (c'est-à-dire une demi-dent avant l'alignement des repères effectués précédemment), insérer la pige de Point Mort Haut vilebrequin (ceci afin de se trouver entre le trou d'équilibrage et le trou de pigeage), puis amener la distribution à son point de calage.

 
Bonne position
 
Mauvaise position
Retirer la pige de Point Mort Haut Mot. 1054.
Vérifier que les repères du galet tendeur soient correctement alignés sinon refaire la tension. Pour cela desserrer d'un tour maximum l'écrou du galet tendeur tout en le maintenant à l'aide d'une clé six pans de 6 mm.
Aligner les repères du galet tendeur et serrer définitivement l'écrou au couple de 2,8 daN.m.
Contrôle du calage :
S'assurer de la bonne position des repères du galet tendeur avant d'effectuer le contrôle du calage de la distribution.
Mettre en place la pige de Point Mort Haut (vérifier que les repères effectués précédemment sur les poulies des arbres à cames soient alignés).
Mettre en place (sans forcer) le Mot. 1496 de calage des arbres à cames (les rainures des arbres à cames doivent être horizontales et désaxées vers le bas). Si l'outil ne s'engage pas, il faut reprendre la procédure de calage de la distribution et de tension.


 Moteur  K4M
Moteur  K4M Serrage culasse
Serrage culasseAlternateur
   FONCTIONNEMENT-DIAGNOSTIC
Ces véhicules sont équipés d'alternateurs à ventilation
interne avec régulateur incorporé et voyant au tableau
de bord dont le fonctionnement est le suivant :
	lorsqu'on met le contact, le voyant s'allume,
	lorsque le moteur  ...
   
Interprétation des défauts
    DEFAUT 
CALCULATEUR
1.DEF : Erreur EEPROM
2.DEF : Erreur RAM
3.DEF : Erreur ROM
CONSIGNES
Particularités :
	Le défaut 1 DEF erreur EEPROM n'empêchera pas le système de 
	fonctionner des
	valeur par défaut seront utilisés.
	Si défaut 3 DEF  ...
   
Support multifonction
   
DEPOSE
Mettre le véhicule sur un pont élévateur à deux
colonnes.
Débrancher la batterie.
Déposer :
	l'alternateur (voir chapitre 16 "Alternateur"),
	les fixations de la pompe de direction assistée et
	l'écarter,
	les f ...