Manuel du conducteur
Le remplacement de cette pièce est une opération complémentaire au remplacement de la traverse supérieure avant pour une collision avant.
Dans la méthode décrite ci-après vous ne trouverez que les descriptions et liaisons spécifiques à la pièce concernée.
L'utilisation de la traverse supérieure avant doit être utilisée pour le positionnement de la pièce.
Les informations concernant les pièces complémentaires seront traitées dans leurs chapitres respectifs(voir sommaire).
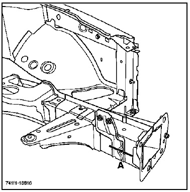
COMPOSITION DE LA PIECE M.P.R.
Pièce livrée seule

PIECES CONCERNEES (épaisseur en mm) :


 Longeron avant
Longeron avant Support bac à batterie
Support bac à batterieToit ouvrant électrique
   GENERALITES
Le toit ouvrant électrique est un toit ouvrant à deux
positions actionnées par le même moteur :
entrebâillant (six positions) ou coulissant (trois
positions).
Le toit ouvrant électrique possède une fonction antipincement
régul ...
   
Arrière
   
 Essuie-vitre arrière
Essuie-vitre arrière
Contact mis, faites pivoter l'anneau
a de la manette 1 jusqu'à amener
le point de repère 2 en face du symbole
puis relâchez-le.
Pour arrêter le fonctionnement, faites
pivoter de nouveau l'anneau a.
 ...
   
Interprétation des défauts
    CALCULATEUR
1.DEF : Changer le calculateur.
CONSIGNES
Conditions d'application du diagnostic sur défaut mémorisé :
Si le défaut réapparaît présent suite à :
	un effacement du défaut,
	une coupure du contact et une mise du contact ...