Manuel du conducteur
PK6

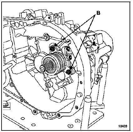
DEPOSE
La dépose du récepteur d'embrayage ne peut s'effectuer qu'après avoir déposé la boîte de vitesses.
Désaccoupler le tuyau de liaison émetteur-récepteur en dégageant l'agrafe (2) située sur le raccord (C).

Déposer la boîte de vitesses.
Désaccoupler le raccord (C) du cylindre récepteur d'embrayage en déposant l'agrafe (3).

Déposer les trois vis (B) de fixation du cylindre récepteur d'embrayage puis l'extraire.

ATTENTION : ne jamais faire fonctionner le système lorsque le récepteur est déposé (même si celui-ci est relié avec la pédale d'embrayage), sous risque d'éjection du piston hydraulique et de la butée du récepteur.
REPOSE
Vérifier l'état des joints.
Procéder en sens inverse de la dépose.
Serrer les deux vis (B) de fixation du récepteur au couple de 0,9 daN.m.

IMPORTANT : pour éviter d'endommager le récepteur, ne pas enduire l'arbre de sortie de boîte de vitesses avec de la graisse.
NOTA : pour éviter tout risque de fuite, remplacer le récepteur après l'échange d'un mécanisme d'embrayage.
Ajouter du liquide de frein dans le réservoir.
Purger le circuit hydraulique :

Effectuer la mise à niveau du réservoir de liquide de frein.
Vérifier le bon fonctionnement du système d'embrayage.
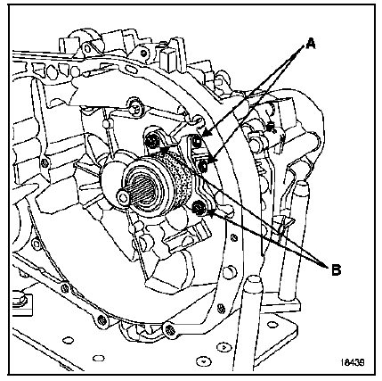
JR - JH

DEPOSE
NOTA : La dépose du récepteur d'embrayage (C) ne peut s'effectuer qu'après avoir déposé la boîte de vitesses, voir chapitre 21.

DEPOSE
Désaccoupler le raccord (C) du cylindre récepteur d'embrayage en déposant les deux vis (A).

Déposer les deux vis (B) de fixation du cylindre récepteur d'embrayage puis l'extraire.

ATTENTION : ne jamais faire fonctionner le système lorsque le récepteur est déposé (même si celui-ci est relié avec la pédale d'embrayage), sous risque d'éjection du piston hydraulique et de la butée du récepteur.
REPOSE
Vérifier l'état des joints.
Procéder en sens inverse de la dépose.
Serrer les deux vis (A) et (B) de fixation du récepteur au couple de 0,9 daN.m.

IMPORTANT : pour éviter d'endommager le récepteur, ne pas enduire l'arbre de sortie de boîte de vitesses avec de la graisse.
NOTA : pour éviter tout risque de fuite, remplacer le récepteur après l'échange d'un mécanisme d'embrayage.
Ajouter du liquide de frein dans le réservoir.
Purger le circuit hydraulique :

Effectuer la mise à niveau du réservoir de liquide de frein.
Vérifier le bon fonctionnement du système d'embrayage.
Cylindre émetteur d'embrayage
Tuyauterie de commande d'embrayagePréliminaire
Ce diagnostic générique est valable pour tous les tableaux de bord haut de
gamme (tableau avec une
matrice centrale montée sur les Laguna et dont le VDIAG est : 04).
Pour le tableau de bord bas de gamme, reportez-vous à la partie traitement des
effets clients.
...
Stratégie injection/Conditionnement
d'air
Moteurs K4M - F4P
LE COMPRESSEUR EST DE TYPE A CYLINDREE VARIABLE
LIAISON CONDITIONNEMENT D'AIR/CALCULATEUR D'INJECTION
Le calculateur d'injection gère l'autorisation d'embrayage du compresseur en
tenant compte de la puissance
absorbée par le compresseur et de la pression de flui ...
Batterie
Pour éviter tout risque
d'étincelle
Ne posez pas d'objet métallique sur
la batterie pour ne pas créer de court-circuit
entre les bornes.
Batterie
Ne la débranchez jamais.
Branchement d'un chargeur
Le chargeur doit être compatible
avec une batterie de ...