Manuel du conducteur
IMPORTANT : toutes les interventions sur les systèmes airbags et prétensionneurs doivent être effectuées par du personnel qualifié ayant reçu une formation.
ATTENTION : il est interdit de manipuler les systèmes pyrotechniques (airbags et prétensionneurs) près d'une source de chaleur ou d'une flamme; il y a risque de déclenchement.
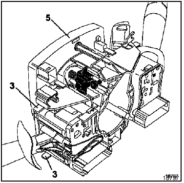
NOTA : le verrouillage du boîtier électronique d'airbag permet également de déverrouiller le verrou électrique de colonne de direction.
DEPOSE
Déposer le coussin d'airbag de volant. Pour cela, insérer un tournevis dans l'orifice (1) puis effectuer un mouvement vers le haut (2).

Débrancher les connecteurs de l'airbag de volant (4) et les connecteurs des touches du régulateur de vitesse (selon version).
Déposer :
Débrancher les manettes (essuie-vitres, commande de radio et éclairage) et les connecteurs du contacteur tournant (airbag et régulateur de vitesse).
Avant la dépose de l'ensemble contact tournant, repérer sa position :

Desserrer la vis puis dégager l'ensemble de la colonne de direction.

Déposer les manettes en pressant sur les languettes (3).
NOTA : la séparation du capteur d'angle de volant (5) n'est pas nécessaire
REPOSE
S'assurer que les roues soient droites. Il n'est possible de serrer la vis du contacteur tournant que si le repère est à "0".

Particularités du volant
IMPORTANT : les cannelures du volant possèdent des détrompeurs. Le volant doit rentrer librement dans les cannelures. Prendre garde à ne pas les endommager.

Remplacer impérativement la vis du volant après chaque démontage et le serrer au couple (couple de 4,4 daN.m).
Particularités de l'airbag
IMPORTANT : avant de reconnecter le coussin airbag conducteur, il est nécessaire d'appliquer la procédure de contrôle de fonctionnement du système :
Si le témoin ne s'éteint pas, consulter le chapitre diagnostic.
ATTENTION : tout manquement à ces prescriptions pourraient provoquer une mise hors d'état de fonctionnement normal des systèmes, voire un déclenchement intempestif de ceux-ci.
Brancher les deux connecteurs de l'airbag de volant en respectant leurs couleurs.
S'assurer du bon encliquetage des connecteurs.

Manette d'essuyageInjecteurs
IL EST INTERDIT DE DEMONTER L'INTERIEUR
D'UN INJECTEUR OU DE SEPARER LE PORTEINJECTEUR
DE LA BUSE.
ATTENTION : avant toute intervention, brancher
l'outil de diagnostique après-vente, entrer en dialogue
avec le calculateur d'injection et vérifier que la rampe
d'injection ne so ...
Batterie
Suivant véhicule, la batterie est dans le
compartiment moteur, ou dans le coffre.
Dans tous les cas, elle ne nécessite
pas d'entretien.
Suivant véhicule, un système vérifie en
continue l'état de charge de la batterie.
Si le niveau descend, le mes ...
Principe de contrôle des angles
VERIFICATIONS PRELIMINAIRES
Avant de procéder au contrôle des angles du train, il
sera nécessaire de vérifier les points suivants, et d'y
remédier éventuellement :
Symétrie des pneumatiques sur un même train :
dimensions,
pressions ...