Manuel du conducteur
SU1

DEPOSE
Mettre le véhicule sur un pont à deux colonnes.
Débrancher la batterie.
Déposer la protection sous moteur.
Vidanger la transmission automatique (voir chapitre concerné).
Déposer :

Dégager le calculateur d'injection et son support.

Déposer la vis de fixation du support de tuyau de direction assistée (1).

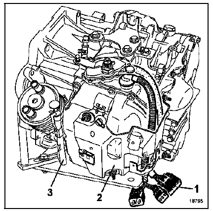
Déconnecter le faisceau (1).
Déposer :

Mettre un récipient propre pour récupérer l'huile sous la transmission automatique.
Déposer le car ter (4) du distributeur hydraulique, en le décollant avec un brin extra plat (sans endommager les surfaces de contact).

Déconnecter et dégager la traverse étanche (A).

NOTA : faire attention au passage du câblage, car il doit être reposé dans la même position (les capteurs de vitesse n'ont pas de détrompeur).
REPOSE
Reposer en sens inverse de la dépose en respectant les différentes consignes de réglage citées dans les différents chapitres concernant cette opération.
Effectuer le remplissage d'huile (voir chapitre "remplissage / niveaux").
Capteur de vitesse (Sortie)
ElectrovannesLubrifiants
CAPACITE (en litres)
QUALITE VISCOCITE
JR5/JH3
TRANSELF TR5 75 W80W à commander chez ELF.
PK6
FREQUENCE DES VIDANGES
Sans vidange
CONTROLE DU NIVEAU SI FUITE
JR5/JH3
Remplir jusqu'au niveau de l'orifice.
JR5/JH3
Bouchon de vidange
Bouchon de remplissage
PK6 : fabrique ...
Diagnostic de la sonde à oxygène
MOTEURS K4M - F4P
Le but du diagnostic du catalyseur est de détecter un dysfonctionnement qui
provoquerait un dépassement du seuil
"On Board Diagnostic" par les émissions des polluants.
Il s'effectue par mesure et comparaison des périodes de battement des ...
Filtre à essence
GENERALITES
Le filtre à essence est situé dans le réservoir, il est
intégré à l'ensemble pompe/jauge à carburant et n'est
pas démontable.
Son remplacement nécessite le remplacement de
l'ensemble pompe/jauge à carburant.
...